LU-G一進二出隔離器/配電器使用說明書
2011-03-04一、隔離器概述
LU-G1211隔離器是將現場4~20mA,DC電流信號,通過隔離傳輸到另一邊場合。
二、隔離器主要技術性能
通 道 數: 一進二出
電 源: 24V±10%,DC
功 耗: ≤4.0W
整 機 質 量: ≤160g
輸 入 信 號: 二/三線制儀表,直流電流信號
輸入信號范圍: 4~20mA, DC
輸 出 信 號: 4~20mA,DC或1~5V,DC(用戶定貨時需指定)
輸 出 精 度: ≤0.2%F.S(包括非線性、重復性等)
溫 度 漂 移: ≤0.2%F.S/10℃
輸 出 負 載: 0~500Ω
存儲:隔離器存儲環境溫度為-40℃~+80℃,相對濕度不大于75%的通風室內。
三、隔離器連續工作條件
環境溫度:-20℃~+60℃
相對濕度:35%~85%
空氣中不得含有對鉻、鎳、銀及有色金屬起腐蝕作用的物質
現場連接設備:二/三線制儀表,直流電流信號
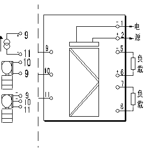
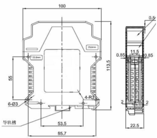
四、隔離器接線示意圖及外形尺寸

圖一 一進二出接線示意圖

圖二 外形尺寸圖







